
Miniature Bearings Australia
WRE-1461-LS - Datasheet
MBA
Category Information
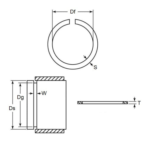
Retaining Rings - External - Snap Rings - Carbon SteelCarbon Steel Snap Rings External Retaining Rings. Includes series M3200 / SP / ESP / M2400 / SW snaprings. Similar to a circlip without the lugs.
- An expanded range may be available on special order. Please enquire.
- Carbon sping steel
- Used on the outside diameter of a bearing, shaft or similar equipment
Product Data
- Shaft or Bearing OD (d1)
:
146.05
mm
(Equiv. 5.75 in.) - Clip Thickness (T)
3.18
mm
+/- 0.05
(Equiv. 0.125 in.) - Groove Dia. (Dg)
139.85
mm
+/- 0.15
(Equiv. 5.506 in.) - Approx. Loose Circlip ID (A) 138.33 mm + 0.00 / - 3.18
- Radial Wall (S) Approx. 9.53 mm +/- 0.13
- Groove Width (W) 3.53 mm
- Approx. Loose Clip OD 157.39
- Info Basic
- Section Profile Rectangular with Square Edge
- Material Carbon Spring Steel
Product Compliance and Data
Additional Resources
Cross References
- NoCor USC-575
- Rotorclip USC-575
- Eaton XAN-575
- USC575
- XAN575
- WRE1461SR


