
Miniature Bearings Australia
WRE-0143-SQ-HC - Datasheet
MBA
Category Information
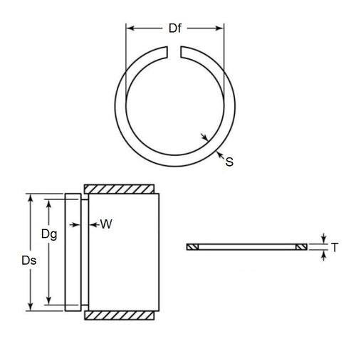
Retaining Rings - External - Snap Rings - Carbon SteelCarbon Steel Snap Rings External Retaining Rings. Includes series M3200 / SP / ESP / M2400 / SW snaprings. Similar to a circlip without the lugs.
- An expanded range may be available on special order. Please enquire.
- Carbon sping steel
- Used on the outside diameter of a bearing, shaft or similar equipment
Product Data
- Shaft or Bearing OD (d1)
:
14.28
mm
(Equiv. 0.562 in.) - Clip Thickness (T)
1.80
mm
+/- 0.05
(Equiv. 0.071 in.) - Groove Dia. (Dg)
13.36
mm
+ 0.08 / - 0.00
(Equiv. 0.526 in.) - Approx. Loose Circlip ID (A) 13.23 mm + 0.00 / - 0.65
- Radial Wall (S) Approx. 1.80 mm +/- 0.05
- Groove Width (W) 1.98 mm
- Approx. Loose Clip OD 16.83
- Info Axial Assembly - Closed Gap
- Section Profile Square Section
- Material Carbon Spring Steel
Product Compliance and Data
Additional Resources
Cross References
- Eaton 300-125
- Arcon XSC-125
- NoCor XSC-125
- A0700125
- A0700-125
- 300125
- XSC125


