
Miniature Bearings Australia
WRE-0140-LS-L - Datasheet
MBA
Category Information
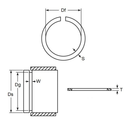
Retaining Rings - External - Snap Rings - Carbon SteelCarbon Steel Snap Rings External Retaining Rings. Includes series M3200 / SP / ESP / M2400 / SW snaprings. Similar to a circlip without the lugs.
- An expanded range may be available on special order. Please enquire.
- Carbon sping steel
- Used on the outside diameter of a bearing, shaft or similar equipment
Product Data
- Shaft or Bearing OD (d1)
:
14.00
mm
(Equiv. 0.551 in.) - Clip Thickness (T)
0.89
mm
+/- 0.05
(Equiv. 0.035 in.) - Groove Dia. (Dg)
13.31
mm
+/- 0.05
(Equiv. 0.524 in.) - Approx. Loose Circlip ID (A) 13.06 mm + 0.00 / - 0.64
- Radial Wall (S) Approx. 1.22 mm +/- 0.08
- Groove Width (W) 0.99 mm
- Approx. Loose Clip OD 15.5
- Info Basic
- Section Profile Rectangular with Square Edge
- Material Carbon Spring Steel
Product Compliance and Data
Additional Resources
Cross References
- NoCor USC-055
- Rotorclip USC-055
- Eaton XAN-055
- USC055
- XAN055
- WRE0140SR


