
Miniature Bearings Australia
WRE-1270-LS-L - Datasheet
MBA
Category Information
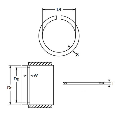
Retaining Rings - External - Snap Rings - Carbon SteelCarbon Steel Snap Rings External Retaining Rings. Includes series M3200 / SP / ESP / M2400 / SW snaprings. Similar to a circlip without the lugs.
- An expanded range may be available on special order. Please enquire.
- Carbon sping steel
- Used on the outside diameter of a bearing, shaft or similar equipment
Product Data
- Shaft or Bearing OD (d1)
:
127.00
mm
(Equiv. 5 in.) - Clip Thickness (T)
1.98
mm
+/- 0.05
(Equiv. 0.078 in.) - Groove Dia. (Dg)
123.44
mm
+/- 0.15
(Equiv. 4.86 in.) - Approx. Loose Circlip ID (A) 121.92 mm - 0.00 / + 2.40
- Radial Wall (S) Approx. 5.54 mm +/- 0.13
- Groove Width (W) 2.18 mm
- Approx. Loose Clip OD 133
- Info Light Duty
- Section Profile Rectangular with Square Edge
- Material Carbon Spring Steel
Product Compliance and Data
Additional Resources
Cross References
- Eaton XD-500
- NoCor XD-500
- XD500
- WRE1270SRL


