
Miniature Bearings Australia
WRE-0119-LS - Datasheet
MBA
Category Information
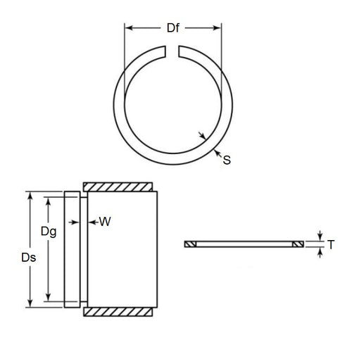
Retaining Rings - External - Snap Rings - Carbon SteelCarbon Steel Snap Rings External Retaining Rings. Includes series M3200 / SP / ESP / M2400 / SW snaprings. Similar to a circlip without the lugs.
- An expanded range may be available on special order. Please enquire.
- Carbon sping steel
- Used on the outside diameter of a bearing, shaft or similar equipment
Product Data
- Shaft or Bearing OD (d1)
:
11.91
mm
(Equiv. 0.469 in.) - Clip Thickness (T)
0.64
mm
+/- 0.05
(Equiv. 0.025 in.) - Groove Dia. (Dg)
11.25
mm
+/- 0.05
(Equiv. 0.443 in.) - Approx. Loose Circlip ID (A) 11.00 mm + 0.00 / - 0.51
- Radial Wall (S) Approx. 1.02 mm +/- 0.08
- Groove Width (W) 0.71 mm
- Approx. Loose Clip OD 13.04
- Info Basic
- Section Profile Rectangular with Square Edge
- Material Carbon Spring Steel
Product Compliance and Data
Additional Resources
Cross References
- NoCor USC-046
- Rotorclip USC-046
- Eaton XAN-046
- USC046
- WRE0119SR
- XAN046


