
Miniature Bearings Australia
WRE-0100-LS-L - Datasheet
MBA
Category Information
Retaining Rings - External - Snap Rings - Carbon SteelCarbon Steel Snap Rings External Retaining Rings. Includes series M3200 / SP / ESP / M2400 / SW snaprings. Similar to a circlip without the lugs.
- An expanded range may be available on special order. Please enquire.
- Carbon sping steel
- Used on the outside diameter of a bearing, shaft or similar equipment
Product Data
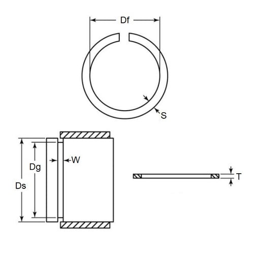
- Shaft or Bearing OD (d1)
:
9.98
mm
(Equiv. 0.393 in.) - Clip Thickness (T)
0.64
mm
+/- 0.05
(Equiv. 0.025 in.) - Groove Dia. (Dg)
9.37
mm
+/- 0.05
(Equiv. 0.369 in.) - Approx. Loose Circlip ID (A) 9.12 mm + 0.00 / - 0.51
- Radial Wall (S) Approx. 1.02 mm +/- 0.08
- Groove Width (W) 0.71 mm
- Approx. Loose Clip OD 11.16
- Info Basic
- Section Profile Rectangular with Square Edge
- Material Carbon Spring Steel
Product Compliance and Data
Additional Resources
Cross References
- NoCor USC-039
- Rotorclip USC-039
- Eaton XAN-039
- USC039
- WRE0100SR
- XAN039


