
Miniature Bearings Australia
WRE-0095-SQ-O - Datasheet
MBA
Category Information
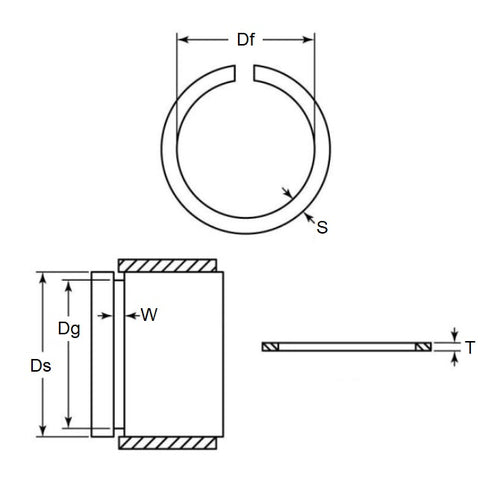
Retaining Rings - External - Snap Rings - Carbon SteelCarbon Steel Snap Rings External Retaining Rings. Includes series M3200 / SP / ESP / M2400 / SW snaprings. Similar to a circlip without the lugs.
- An expanded range may be available on special order. Please enquire.
- Carbon sping steel
- Used on the outside diameter of a bearing, shaft or similar equipment
Product Data
- Shaft or Bearing OD (d1)
:
9.53
mm
(Equiv. 0.375 in.) - Clip Thickness (T)
0.89
mm
+/- 0.05
(Equiv. 0.035 in.) - Groove Dia. (Dg)
9.07
mm
+ 0.08 / - 0.00
(Equiv. 0.357 in.) - Approx. Loose Circlip ID (A) 8.97 mm + 0.00 / - 0.50
- Radial Wall (S) Approx. 0.89 mm +/- 0.05
- Groove Width (W) 1.04 mm
- Approx. Loose Clip OD 10.75
- Info Radial Assembly - Open Gap
- Section Profile Square Section
- Material Carbon Spring Steel
Product Compliance and Data
Additional Resources
Cross References
- Eaton 400-218
- Arcon CSO-218
- NoCor XSO-218
- A0600-218
- A0600218
- CSO218
- XSO218
- 400218


