
Miniature Bearings Australia
WRE-0095-SQ-C - Datasheet
MBA
Category Information
Retaining Rings - External - Snap Rings - Carbon SteelCarbon Steel Snap Rings External Retaining Rings. Includes series M3200 / SP / ESP / M2400 / SW snaprings. Similar to a circlip without the lugs.
- An expanded range may be available on special order. Please enquire.
- Carbon sping steel
- Used on the outside diameter of a bearing, shaft or similar equipment
Product Data
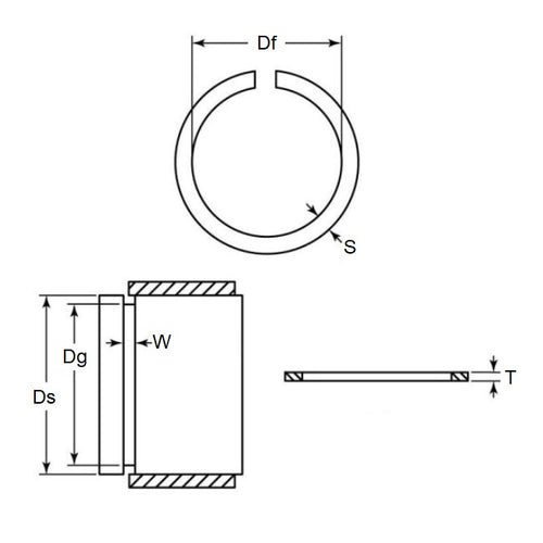
- Shaft or Bearing OD (d1)
:
9.53
mm
(Equiv. 0.375 in.) - Clip Thickness (T)
0.89
mm
+/- 0.05
(Equiv. 0.035 in.) - Groove Dia. (Dg)
9.07
mm
+ 0.08 / - 0.00
(Equiv. 0.357 in.) - Approx. Loose Circlip ID (A) 8.97 mm + 0.00 / - 0.50
- Radial Wall (S) Approx. 0.89 mm +/- 0.05
- Groove Width (W) 1.04 mm
- Approx. Loose Clip OD 10.75
- Info Axial Assembly - Closed Gap
- Section Profile Square Section
- Material Carbon Spring Steel
Product Compliance and Data
Additional Resources
Cross References
- Eaton 300-118
- Arcon XSC-118
- NoCor XSC-118
- A0700118
- A0700-118
- 300118
- XSC118


