
Miniature Bearings Australia
WRE-0095-LS-L - Datasheet
MBA
Category Information
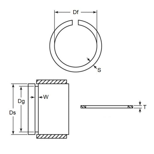
Retaining Rings - External - Snap Rings - Carbon SteelCarbon Steel Snap Rings External Retaining Rings. Includes series M3200 / SP / ESP / M2400 / SW snaprings. Similar to a circlip without the lugs.
- An expanded range may be available on special order. Please enquire.
- Carbon sping steel
- Used on the outside diameter of a bearing, shaft or similar equipment
Product Data
- Shaft or Bearing OD (d1)
:
9.53
mm
(Equiv. 0.375 in.) - Clip Thickness (T)
0.64
mm
+/- 0.03
(Equiv. 0.025 in.) - Groove Dia. (Dg)
8.97
mm
(Equiv. 0.353 in.) - Approx. Loose Circlip ID (A) 8.92 mm + 0.00 / - 0.54
- Radial Wall (S) Approx. 1.02 mm
- Groove Width (W) 0.71 mm
- Approx. Loose Clip OD 10.96
- Section Profile Rectangular with Square Edge
- Material Carbon Spring Steel
Product Compliance and Data
Additional Resources
Cross References
- Arcon TRC-037
- NoCor TRC-037
- A0500-037
- A0500037
- TRC037
- WRE0095SRL


