
Miniature Bearings Australia
DVWS2-POL - Datasheet
MBA
Category Information
Dual Vee - Studded Guide WheelsStudded Guide Wheels Dual Vee. Vee grooved track roller guide wheels.
- An expanded range may be available on special order. Please enquire.
- Match with correct Track Size.
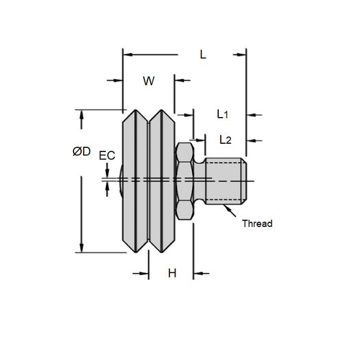
- Note! OD is reference only. Allow up to 1.2 mm larger than listed.
Product Data
- Size Reference : 2
- Outside Diameter (O.D)
30.7
mm
(Equiv. 1.209 in.) - Journal Width (W)
11.13
mm
(Equiv. 0.438 in.) - Overall Length (L) 26.6 mm
- Wheel Type Stationary
- Offset Value (EC) 0.97 mm
- Static Load (Radial / Axial) 7 / - kg
- Thread Size x Length (l2) M10 x 1.5 x 11.4
- Material Polymer
Product Compliance and Data
Additional Resources
Cross References
- WZ-422
- WZ422


