
Miniature Bearings Australia
DVWS0L-ZZ - Datasheet
MBA
Category Information
Dual Vee - Studded Guide WheelsStudded Guide Wheels Dual Vee. Vee grooved track roller guide wheels.
- An expanded range may be available on special order. Please enquire.
- Match with correct Track Size.
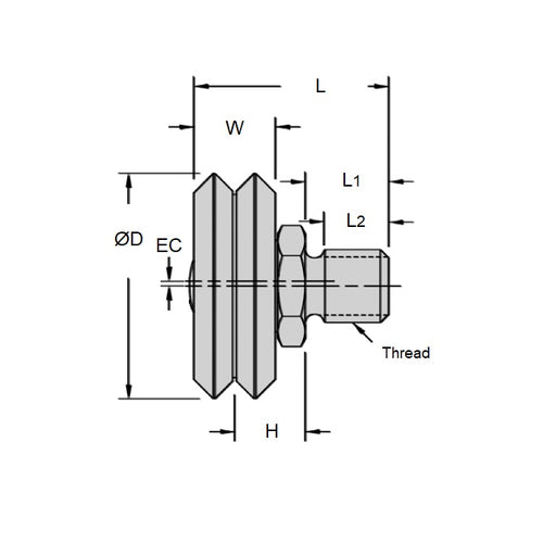
- Note! OD is reference only. Allow up to 1.2 mm larger than listed.
Product Data
- Size Reference : 0
- Outside Diameter (O.D)
14.8
mm
(Equiv. 0.583 in.) - Journal Width (W)
6.35
mm
(Equiv. 0.25 in.) - Overall Length (L) 18.8 mm
- Wheel Type Stationary
- Offset Value (EC) 0.46 mm
- Static Load (Radial / Axial) 50 / - kg
- Thread Size x Length (l2) M4 x 0.7 x 6.1
- Bearing Type Metal Shielded
- Material Chrome Steel SAE 52100 with Shields
Product Compliance and Data
Additional Resources
Cross References
- A7Q17M0STA
- A7Q17-0STA
- A7Q170STA


