
Miniature Bearings Australia
0R-0381-0457-P-CS5-T25 - Datasheet
MBA
Category Information
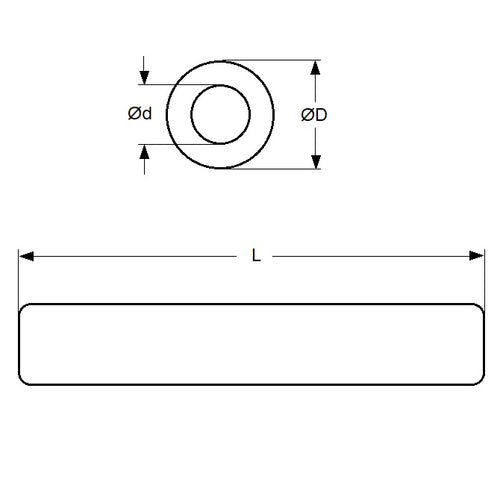
Shafting - Pipe - SteelSteel Pipe Shafting.
- AISI 52100 Steel Hardened to HRC 58-62 Hollow Shaft
- Straightness 0.0003 mm / mm.
- Ideal for design weight reduction.
- Note! ID of pipe shaft may be up to 1mm undersize.
- Other lengths may be available on request however a surcharge for special sizing will apply and extended delivery times can be expected (if available).
Product Data
- OD (D)
:
38.100
mm
- 0.009 / - 0.025
(Equiv. 1.5 in.) - Nominal ID (d)
22.61
mm
(Equiv. 0.89 in.) - Length (L)
457.2
mm
(Equiv. 18 in.) - Case Depth 2.03 mm
- -0.015/-0.028
- Material AISI52100 Steel
Product Compliance and Data
Additional Resources
Cross References
- QBC TQS1-1-2TUL-18
- TQS112TUL18


