
Miniature Bearings Australia
0R-0160-0500-P10-CS5-T17 - Datasheet
MBA
Category Information
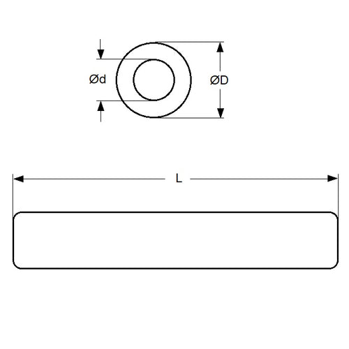
Shafting - Pipe - SteelSteel Pipe Shafting.
- AISI 52100 Steel Hardened to HRC 58-62 Hollow Shaft
- Straightness 0.0003 mm / mm.
- Ideal for design weight reduction.
- Note! ID of pipe shaft may be up to 1mm undersize.
- Other lengths may be available on request however a surcharge for special sizing will apply and extended delivery times can be expected (if available).
Product Data
- OD (D)
:
16.000
mm
- 0.006 / - 0.017
(Equiv. 0.63 in.) - Nominal ID (d)
10.00
mm
(Equiv. 0.394 in.) - Length (L)
500
mm
(Equiv. 19.685 in.) - Case Depth 1.5 mm
- -0.006/-0.017
- Material AISI52100 Steel
Product Compliance and Data
Additional Resources
Cross References
- S40LPSM10160500


