
Miniature Bearings Australia
0R-0100-0600-P04-CS5-T14 - Datasheet
MBA
Category Information
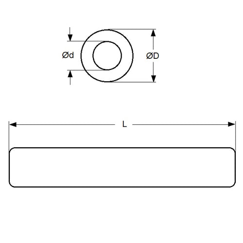
Shafting - Pipe - SteelSteel Pipe Shafting.
- AISI 52100 Steel Hardened to HRC 58-62 Hollow Shaft
- Straightness 0.0003 mm / mm.
- Ideal for design weight reduction.
- Note! ID of pipe shaft may be up to 1mm undersize.
- Other lengths may be available on request however a surcharge for special sizing will apply and extended delivery times can be expected (if available).
Product Data
- OD (D)
:
10.000
mm
- 0.005 / - 0.014
(Equiv. 0.394 in.) - Nominal ID (d)
4.00
mm
(Equiv. 0.157 in.) - Length (L)
600
mm
(Equiv. 23.622 in.) - Case Depth 1.0 mm
- -0.005/-0.014
- Material AISI52100 Steel
Product Compliance and Data
Additional Resources
Cross References
- S40LPSM04100600


