
Miniature Bearings Australia
STQ40RS - Datasheet
MBA
Category Information
Rod Ends - Female - Steel - Studded - Swaged Construction- Designed for heavy duty service, they come with dirt shield to provide protection against contaminants.
- Unique assembly swages metal to retain the ball in cavity resulting in increased pull out and wear resistance.
- Ball studs are surface hardened.
- Made of low carbon steel, plated and dichromate treated.
Product Data
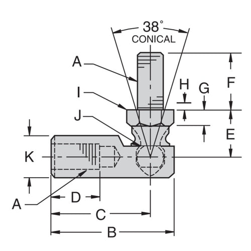
- Thread Size : 1/4-28 UNF (6.35mm) Right Hand
- Thread Length 1
12.70
mm
(Equiv. 0.5 in.) - Thread Length 2
11.91
mm
(Equiv. 0.469 in.) - Head Diameter 11.11 mm
- Centre Height 26.19 mm
- Base Length (P) 24.61 mm
Product Compliance and Data
Additional Resources
Cross References
- STQ40
- STQ-40


