
Miniature Bearings Australia
EFT6SRS - Datasheet
MBA
Category Information
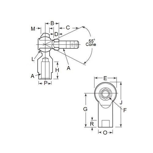
Rod Ends - Female - Steel - Studded - PTFE Seat- Housing is plated and dichromate treated steel.
- Ball is case hardened and plated
- Stud is permanently affixed and made from heat treated alloy steel, zinc plated.
Product Data
- Thread Size : 3/8-24 UNF (9.53mm) Right Hand
- Thread Length (H)
20.63
mm
(Equiv. 0.812 in.) - Thread Length (C)
22.23
mm
(Equiv. 0.875 in.) - Head Diameter (E) 25.40 mm
- Centre Height (G) 41.28 mm
- Top Width (M) 10.31 mm
- Ball Width (L) 12.70 mm
- Base Width 17.45 mm
- Base Length (P) 14.28 mm
Product Compliance and Data
Additional Resources
Cross References
- 60745K841
- EFT-6S
- EFT6S


