
Miniature Bearings Australia
EFT4SRS - Datasheet
MBA
Category Information
Rod Ends - Female - Steel - Studded - PTFE Seat- Housing is plated and dichromate treated steel.
- Ball is case hardened and plated
- Stud is permanently affixed and made from heat treated alloy steel, zinc plated.
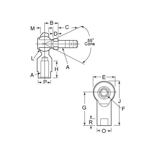
Product Data
- Thread Size : 1/4-28 UNF (6.35mm) Right Hand
- Thread Length (H)
17.45
mm
(Equiv. 0.687 in.) - Thread Length (C)
14.28
mm
(Equiv. 0.562 in.) - Head Diameter (E) 19.05 mm
- Centre Height (G) 33.33 mm
- Top Width (M) 07.14 mm
- Ball Width (L) 09.53 mm
- Base Width 11.91 mm
- Base Length (P) 09.53 mm
Product Compliance and Data
Additional Resources
Cross References
- 60745K821
- EFT4S
- EFT-4S


