
Miniature Bearings Australia
RT-090-0900-120-150-H - Datasheet
MBA
Category Information
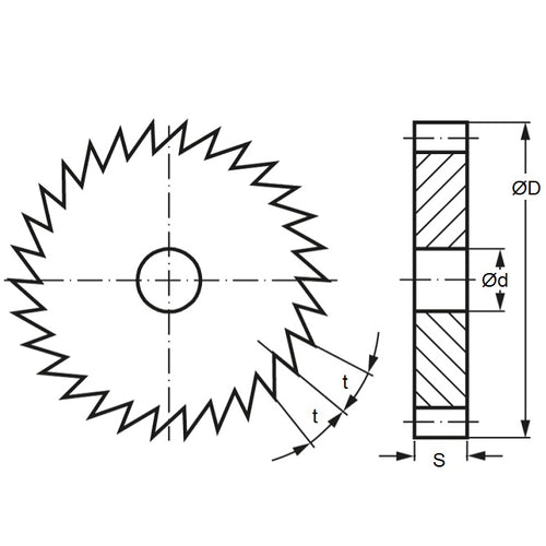
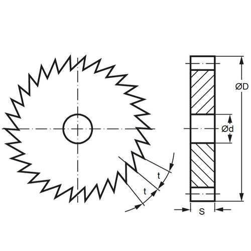
Ratchets and Pawls - Ratchets - Without HubWithout Hub Ratchets Ratchets and Pawls. Match with pawls listed on this site.
- An expanded range may be available on special order. Please enquire.
Product Data
- Pitch : 3.142 CP
- Teeth (No.) 90
- Outside Diameter
90
mm
(Equiv. 3.543 in.) - Bore Pilot 15 mm
- Face Width 12 mm
- Total Width 12 mm
- Additional Info No Keway
- Material Black Oxide Steel
Product Compliance and Data
Additional Resources
Cross References
- SRT190


