
Miniature Bearings Australia
RT-080-0800-120-320-H - Datasheet
MBA
Category Information
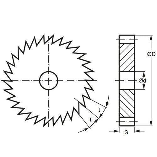
Ratchets and Pawls - Ratchets - Without HubWithout Hub Ratchets Ratchets and Pawls. Match with pawls listed on this site.
- An expanded range may be available on special order. Please enquire.
Product Data
- Pitch : 3.142 CP
- Teeth (No.) 80
- Outside Diameter
80
mm
(Equiv. 3.15 in.) - Bore 32 mm
- Face Width 12 mm
- Total Width 12 mm
- Additional Info 10.0x3.3 Keway
- Material Black Oxide Steel
Product Compliance and Data
Additional Resources
Cross References
- SRT180J32


