
Miniature Bearings Australia
RT-040-0800-150-150-H - Datasheet
MBA
Category Information
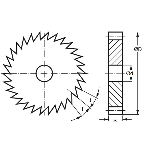
Ratchets and Pawls - Ratchets - Without HubWithout Hub Ratchets Ratchets and Pawls. Match with pawls listed on this site.
- An expanded range may be available on special order. Please enquire.
 
Product Data
- Pitch : 6.28 CP
 - Teeth (No.) 40.000
 - Outside Diameter 
80
mm
(Equiv. 3.15 in.) - Bore Pilot 15 mm
 - Face Width 15 mm
 - Total Width 12 mm
 - Additional Info No Keway
 - Material Black Oxide Steel
 
Product Compliance and Data
Additional Resources
Cross References
- SRT240
 


