
Miniature Bearings Australia
RT-060-0120-150-200-HH - Datasheet
MBA
Category Information
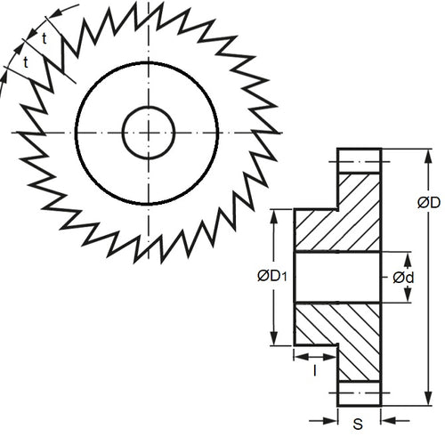
Ratchets and Pawls - Ratchets - With HubWith Hub Ratchets Ratchets and Pawls. Match with pawls listed on this site.
- An expanded range may be available on special order. Please enquire.
Product Data
- Pitch : 6.280 CP
- Teeth (No.) 60
- Outside Diameter
120
mm
(Equiv. 4.724 in.) - Bore 20.00 mm
- Face Width 15 mm
- Hub Diameter 65 mm
- Hub Projection 16 mm
- Additional Info Pawl ordered separately
- Teeth Depth 1 mm
- Bore Config 6.0x2.8 Keway
- Material Carbon Steel - Hardened 48-53 HRC
Product Compliance and Data
Additional Resources
Cross References
- SRTB260J20


