
Miniature Bearings Australia
TBS439RS - Datasheet
Thomson Saginaw
Category Information
Ballscrew - Nuts - Thomson SaginawThomson Saginaw Nuts Ballscrew. Ball Nuts to Suit Thomson Saginaw ball screws. Match all components within the Thomson Saginaw range only.
- Ballscrews and ballnuts are essential components used in various engineering and industrial applications where precise linear motion and high efficiency are required.
- Ballscrews are used in motion control systems, positioning systems, machine tools, industrial automation, aerospace, defence, medical devices and semi-conductor equipment.
- An expanded range may be available on special order. Please enquire.
- All Right hand thread only.
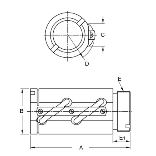
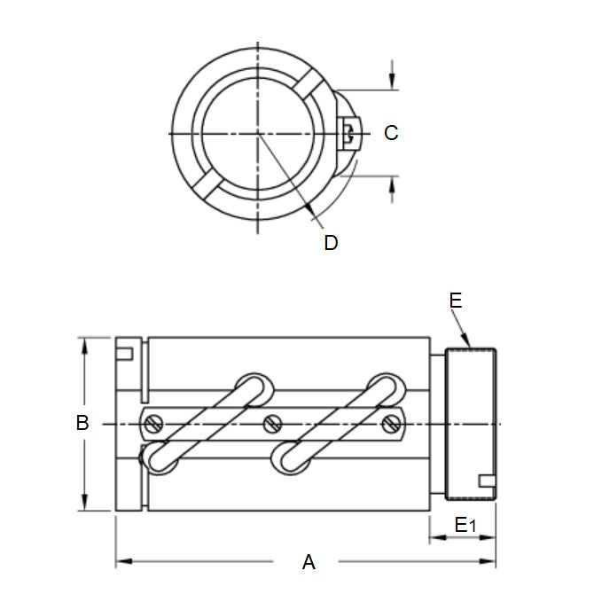
Product Data
- Type : Non-Preloaded - Round
- Suits Ball Circle Dia. 38.10
- Suits Lead 6.35
- Length (A) 73.03
- Diameter (B) 53.04
- Static Load 19972
- Dynamic Load 1904
- More Information For more information contact us.
Product Compliance and Data
Additional Resources
Cross References
- TBS439
- TBS-439


