
Miniature Bearings Australia
KM19 - Datasheet
MBA
Category Information
Nuts - Bearing Locknuts - Right Hand Thread - Standard AN-KM SeriesStandard AN-KM Series Right Hand Thread Bearing Locknuts Nuts. This is the main category in this series
Product Data
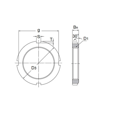
- Shaft Thread Diameter : M95x2
- Outside Dia (OD)
125
mm
(Equiv. 4.921 in.) - Thickness (T) min / max
17.000
mm
(Equiv. 0.669 in.) - Slot Width (s) 10.000
- Slot Depth (T) 4.000
- Material Steel
Product Compliance and Data
Additional Resources
Cross References
- NoCor KM-19
- KM19


