
Miniature Bearings Australia
SS080M-0074-TG5-FT - Datasheet
MBA
Category Information
Socket Set Screws - Flat Tip DIN913 - Titanium Ti-Gr5 Ti-6Al4v DIN913Titanium Ti-Gr5 Ti-6Al4v DIN913 Flat Tip DIN913 Socket Set Screws. Standard DIN913 grub screws with flat end. Grade 5 6Al-4V is a high strength titanium alloy. Tensile Strength 91.5kgf / mm2. Yield Strength 84.5kgf / mm2. Elongation 10 Percent.
- Socket driven grub screws with a solid flat tip.
- Used in critical aircraft structural components. UNS R56400.
- Composition Percentage: Al 5.5-6.75, V 3.5-4.5, N 0.05, C 0.08, H 0.015, Fe 0.40, O 0.2, Ti Balance
- Grade 5 6Al-4V is a high strength titanium alloy. Tensile Strength 91.5kgf / mm2. Yield Strength 84.5kgf / mm2. Elongation 10 Percent.
Product Data
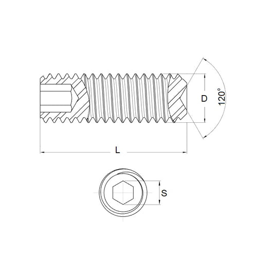
- Thread Size : M8 (8x1.25mm)
- Thread Length (L)
7.4
mm
(Equiv. 0.291 in.) - Type Flat Tip
- Hex Key Size 4.00
- Pitch 1.250 mm
- Threads Per Inch 20.32 TPI
- Material Titanium Ti-Gr-5 - 6AL-4V
Product Compliance and Data
Additional Resources
- Screws & Nuts Catalogue
- Shoulder Screws Catalogue
- Socket Set (Grub) Screws Catalogue
- Thumb Screws & Thumb Nuts Catalogue
- Thread Size Chart - Combined Imperial & Metric


