
Miniature Bearings Australia
SS080M-0100-CZ - Datasheet
Brighton Best
Category Information
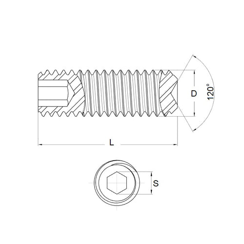
Socket Set Screws - Standard Cup Point - Zinc Plated DIN916Zinc Plated DIN916 Standard Cup Point Socket Set Screws. Standard grub screws. UNC - UNF - BA - METRIC.
- Socket driven grub screw with a standard cup point.
Product Data
- Thread Size : M8 (8x1.25mm)
- Thread Length (L)
10.0
mm
(Equiv. 0.394 in.) - Type Standard Cup Point
- Hex Key Size 4.00 mm
- Pitch 1.250 mm
- Threads Per Inch 20.32 TPI
- Finish Zinc Plated
- Material Carbon Steel
Product Compliance and Data
Additional Resources
- Screws & Nuts Catalogue
- Shoulder Screws Catalogue
- Socket Set (Grub) Screws Catalogue
- Thumb Screws & Thumb Nuts Catalogue
- Thread Size Chart - Combined Imperial & Metric
Cross References
- Brighton Best 877106


