
Miniature Bearings Australia
KM080M-032-KND30-PH - Datasheet
MBA
Category Information
Knobs - Disc - Male Knurled PlasticMale Knurled Plastic Disc Knobs. This is the main category in this series
Product Data
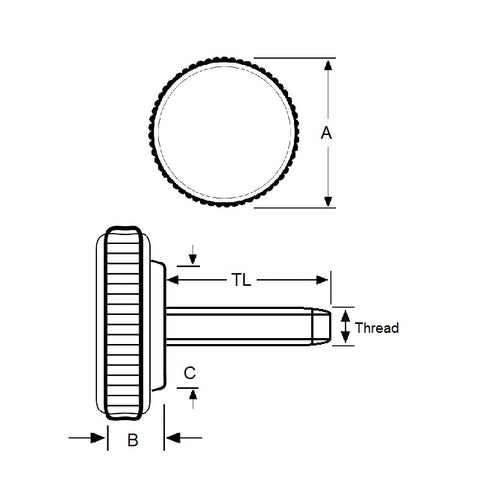
- Thread Size : M8 (8x1.25mm)
- Head Diameter (A)
32.0
mm
(Equiv. 1.26 in.) - Thread Length
30.0
mm
(Equiv. 1.181 in.) - Colour Black
- Style Disc
- Hub Diameter (E) 22.00 mm
- Hub Length (D) 22.00 mm
- Knob Height (C) 20.0
- Material Steel
Product Compliance and Data
Additional Resources
Cross References
- Misumi C-NDXM8-30
- CNDXM830


