
Miniature Bearings Australia
SS080M-0150-C-MAG - Datasheet
MBA
Category Information
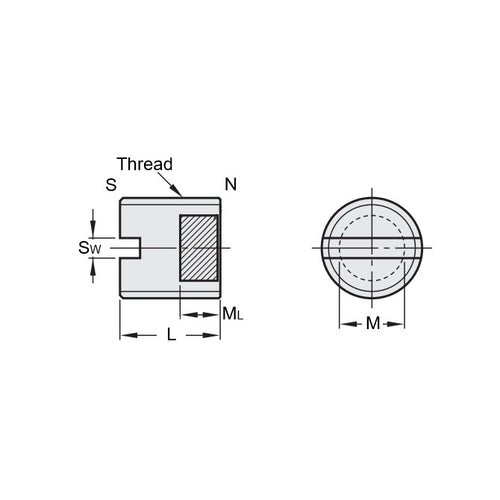
Socket Set Screws - Magnetic EndMagnetic End Socket Set Screws. Magnetic End grub screws
- Socket driven grub screws with a magnetic tip.
Product Data
- Thread Size : M8 (8x1.25mm)
- Thread Length (L)
15.00
mm
(Equiv. 0.591 in.) - Type Magnetic Tipped
- Magnet Size (M) 5 x 5 mm
- Hex Key Size 4.00
- Magnet Material Neodymium Iron Boron
- Drive Type Socket
- Finish Nickel Plated
- Material Carbon Steel
Product Compliance and Data
Additional Resources
- Screws & Nuts Catalogue
- Shoulder Screws Catalogue
- Socket Set (Grub) Screws Catalogue
- Thumb Screws & Thumb Nuts Catalogue
- Thread Size Chart - Combined Imperial & Metric
Cross References
- HXB815


