
Miniature Bearings Australia
KM14 - Datasheet
MBA
Category Information
Nuts - Bearing Locknuts - Right Hand Thread - Standard AN-KM SeriesStandard AN-KM Series Right Hand Thread Bearing Locknuts Nuts. This is the main category in this series
Product Data
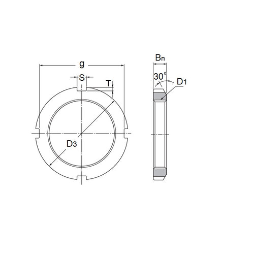
- Shaft Thread Diameter : M70
- Outside Dia (OD)
95
mm
(Equiv. 3.74 in.) - Thickness (T) min / max
12
mm
(Equiv. 0.472 in.) - Material Steel
Product Compliance and Data
Additional Resources
Cross References
- NoCor KM-14
- KM14


