
Miniature Bearings Australia
SHX-TP-0600-10-080-MZ - Datasheet
MBA
Product Data
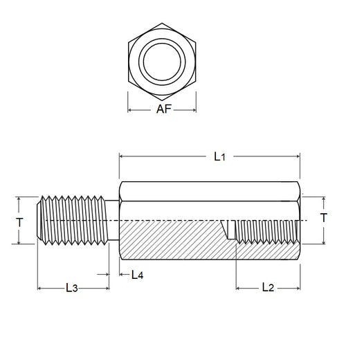
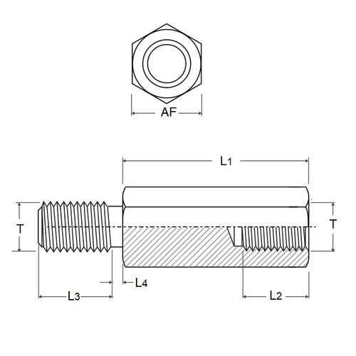
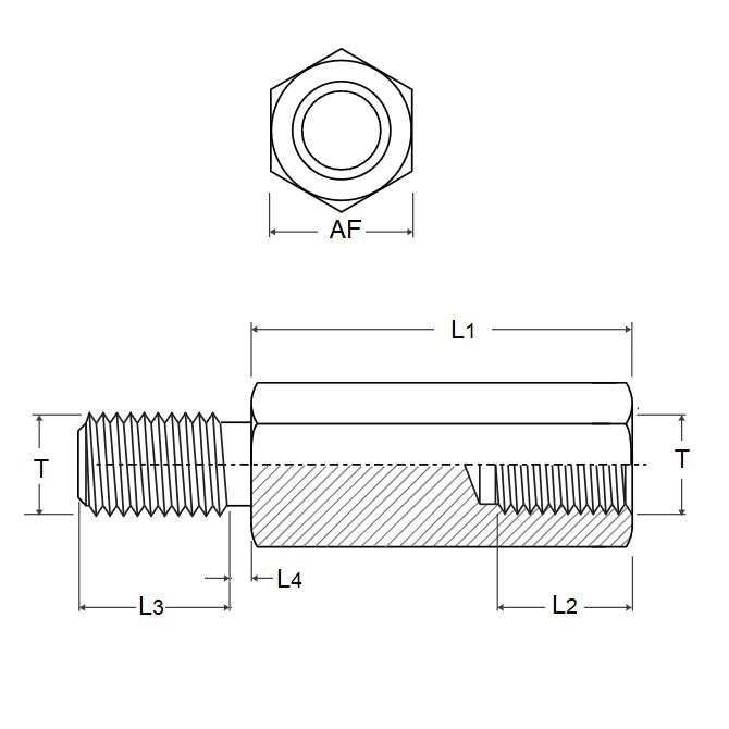
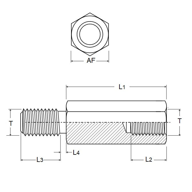
- Thread Size : M6 (6x1mm)
- Stud Length (L3)
10.00
mm
(Equiv. 0.394 in.) - Base Length (L1)
70.00
mm
(Equiv. 2.756 in.) - Across Flats (A/F) 10.00 mm
- Bore Thread Length (L2) 10.00 mm
- Unthreaded Length (L4) 2.10 mm
- Radius (R) 0.25 mm
- Finish Electro-Zinc Yellow
- Material Steel - Mild S300 Pb
Product Compliance and Data
Additional Resources
Cross References
- Misumi C-PLSBWRK10-80
- CPLSBWRK1080
- MPE670
- MPE6-70


