
Miniature Bearings Australia
KF060M-025-TTPL-ST - Datasheet
MBA
Category Information
Knobs - Ball - Female Threaded - ThermoplasticThermoplastic Female Threaded Ball Knobs. With moulded plastic threads, or metalic threaded inserts - brass or steel
- An expanded range may be available on special order. Please enquire.
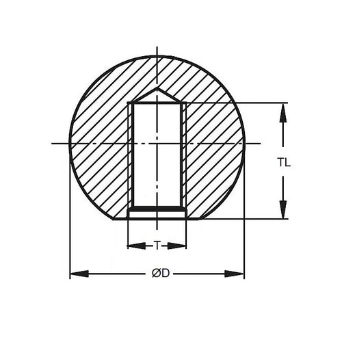
Product Data
- Thread or Hole Size : M6 (6x1mm)
- Diameter
25.00
mm
(Equiv. 0.984 in.) - Thread Depth
9.0
mm
(Equiv. 0.354 in.) - Thread Type Steel
- Material Thermoplastic
Product Compliance and Data
Additional Resources
Cross References
- KPB-1219
- KPB1219


