
Miniature Bearings Australia
SHX-TP-0600-12-060-MZ - Datasheet
MBA
Product Data
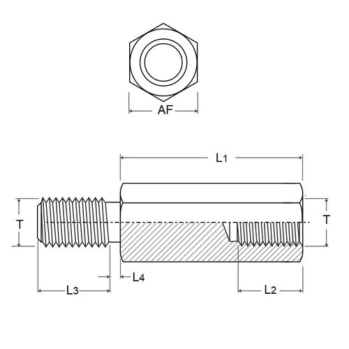
- Thread Size : M6 (6x1mm)
- Stud Length (L3)
9.000
mm
(Equiv. 0.354 in.) - Base Length (L1)
60
mm
(Equiv. 2.362 in.) - Across Flats (A/F) 12.00 mm
- Bore Thread Length (L2) 12.00 mm
- Finish Nickel Electroplating
- Material Steel - Mild
Product Compliance and Data
Additional Resources
Cross References
- Misumi C-PLSBWRK12-60
- CPLSBWRK1260


