
Miniature Bearings Australia
SHX-TP-0500-08-016-BZ - Datasheet
MBA
Product Data
Deleted Item. Available while stocks last.
Please contact us first if you wish to use this item in a new design so we can check whether production can be resumed.
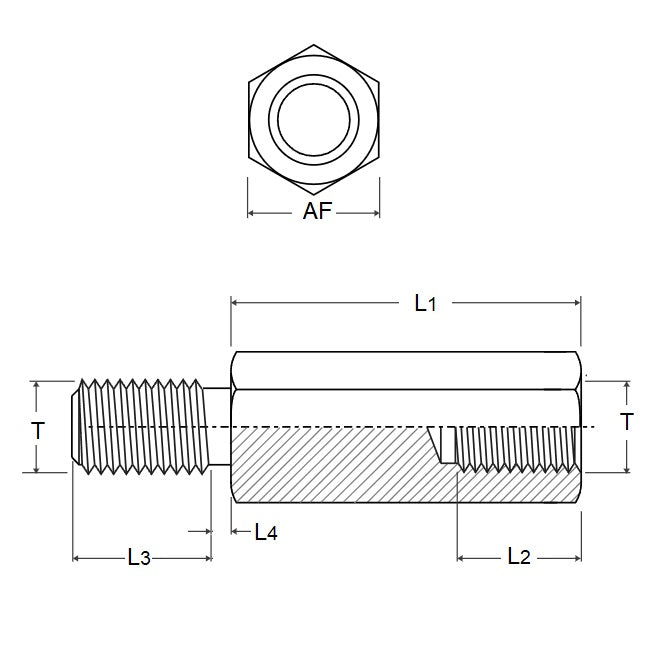
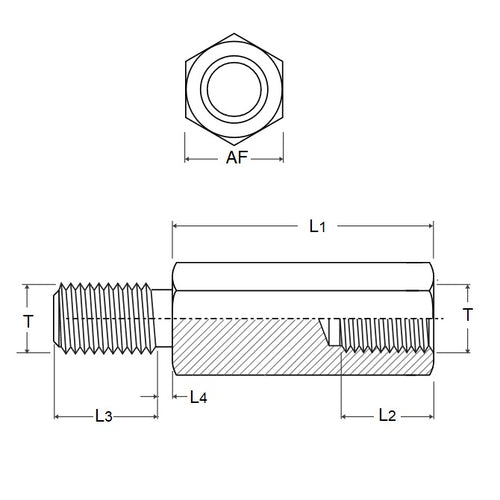
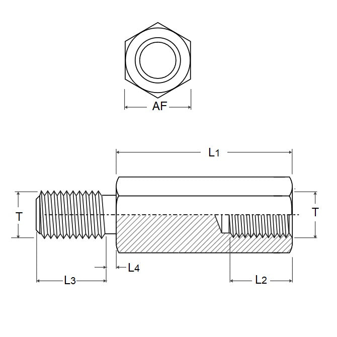
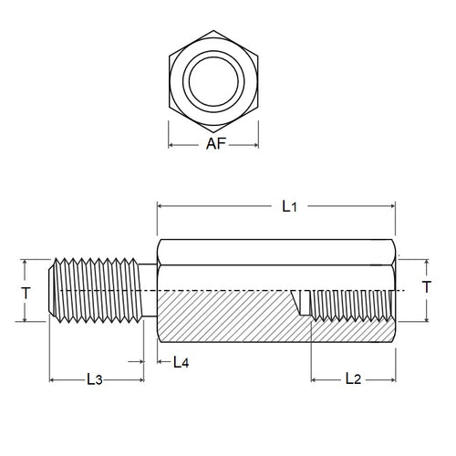
- Thread Size : M5 (5x0.8mm)
- Stud Length (L3)
8.00
mm
(Equiv. 0.315 in.) - Base Length (L1)
8.00
mm
(Equiv. 0.315 in.) - Across Flats (A/F) 8.00 mm
- Bore Thread Length (L2) 5.00 mm
- Unthreaded Length (L4) 1.40 mm
- Radius (R) 0.20 mm
- Finish Electro-Silver Finish
- Material Brass
Product Compliance and Data
Additional Resources
Cross References
- 93655A372
- MPB5-8
- MPB58


