
Miniature Bearings Australia
KM11 - Datasheet
MBA
Category Information
Nuts - Bearing Locknuts - Right Hand Thread - Standard AN-KM SeriesStandard AN-KM Series Right Hand Thread Bearing Locknuts Nuts. This is the main category in this series
Product Data
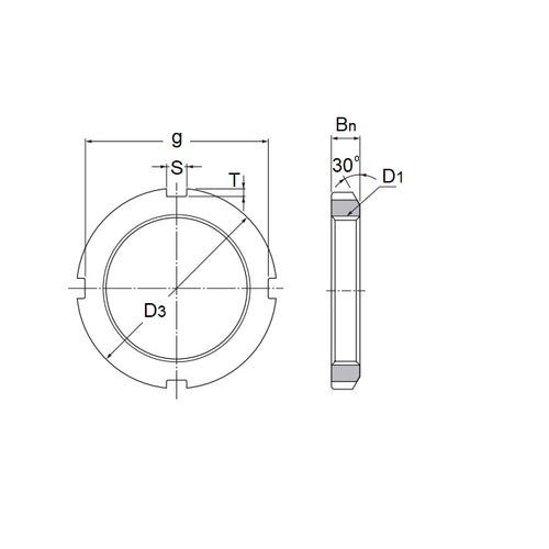
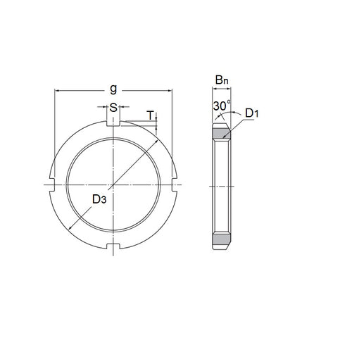
- Shaft Thread Diameter : M55 (55x5mm)
- Outside Dia (OD)
75
mm
(Equiv. 2.953 in.) - Thickness (T) min / max
11
mm
(Equiv. 0.433 in.) - Material Steel
Product Compliance and Data
Additional Resources
Cross References
- NoCor KM-11
- KM11


