
Miniature Bearings Australia
SC040M-012-LS-C - Datasheet
MBA
Category Information
Screws - Large Shallow HeadLarge Shallow Head Screws. Metric only
- This category will be discontinued when the remaining items are sold.
- All items are priced to quit.
- Backorders or orders for previously listed items in the category may still be possible - please enquire.
Product Data
Deleted Item. Available while stocks last.
Please contact us first if you wish to use this item in a new design so we can check whether production can be resumed.
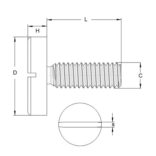
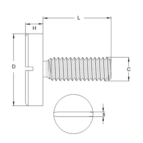
- Thread Size (C) : M4 (4x0.7mm)
- Thread Length (L)
12
mm
(Equiv. 0.472 in.) - Material Carbon Steel
- DIN DIN921
- Head Diameter (D) 12.000 mm
- Head Thickness (H) 2.400 mm
- Slot Width x Depth (s) 1.00 x 1.20 mm
- Pitch 0.700 mm
- Threads Per Inch 36.29 TPI
- Material Carbon Steel
Product Compliance and Data
Additional Resources
- Screws & Nuts Catalogue
- Shoulder Screws Catalogue
- Socket Set (Grub) Screws Catalogue
- Thumb Screws & Thumb Nuts Catalogue
- Thread Size Chart - Combined Imperial & Metric
Cross References
- MD0921MCO04X012


