
Miniature Bearings Australia
SHX-TP-0400-06-035-BZ - Datasheet
MBA
Product Data
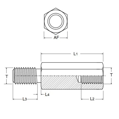
- Thread Size : M4 (4x0.7mm)
- Stud Length (L3)
9.53
mm
(Equiv. 0.375 in.) - Base Length (L1)
25.00
mm
(Equiv. 0.984 in.) - Across Flats (A/F) 6.00 mm
- Bore Thread Length (L2) 11.10 mm
- Finish Chromate Zinc Plated
- Material Brass
Product Compliance and Data
Additional Resources
Cross References
- 93655A312
- RAF-1202
- RAF1202


