
Miniature Bearings Australia
KM09 - Datasheet
MBA
Category Information
Nuts - Bearing Locknuts - Right Hand Thread - Standard AN-KM SeriesStandard AN-KM Series Right Hand Thread Bearing Locknuts Nuts. This is the main category in this series
Product Data
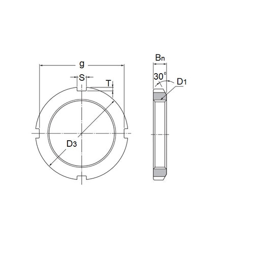
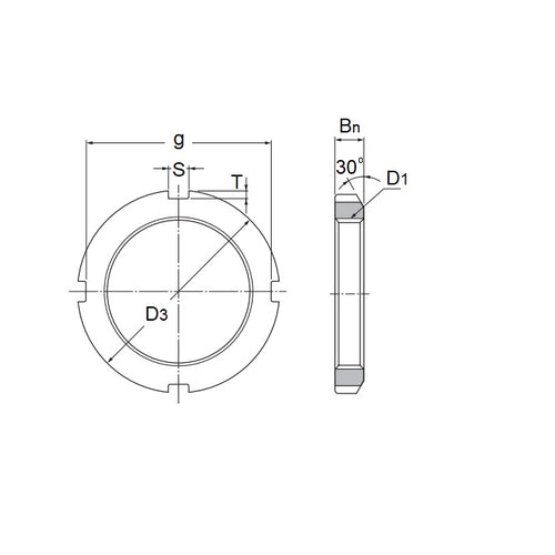
- Shaft Thread Diameter : M45 (45x4.5mm)
- Outside Dia (OD)
65
mm
(Equiv. 2.559 in.) - Thickness (T) min / max
10
mm
(Equiv. 0.394 in.) - Material Steel
Product Compliance and Data
Additional Resources
Cross References
- NoCor KM-09
- KM09


