
Miniature Bearings Australia
SHX-TP-0400-07-100-MZ - Datasheet
MBA
Product Data
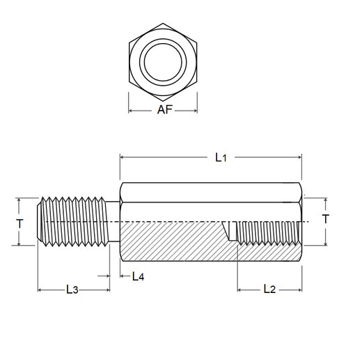
- Thread Size : M4 (4x0.7mm)
- Stud Length (L3)
6.000
mm
(Equiv. 0.236 in.) - Base Length (L1)
100
mm
(Equiv. 3.937 in.) - Across Flats (A/F) 7.00 mm
- Bore Thread Length (L2) 8.00 mm
- Finish Nickel Electroplating
- Material Steel - Mild
Product Compliance and Data
Additional Resources
Cross References
- Misumi C-PLSBWRK7-100
- CPLSBWRK7100


