
Miniature Bearings Australia
KM06 - Datasheet
MBA
Category Information
Nuts - Bearing Locknuts - Right Hand Thread - Standard AN-KM SeriesStandard AN-KM Series Right Hand Thread Bearing Locknuts Nuts. This is the main category in this series
Product Data
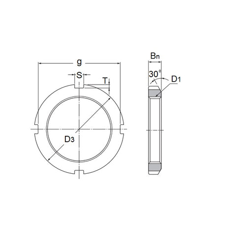
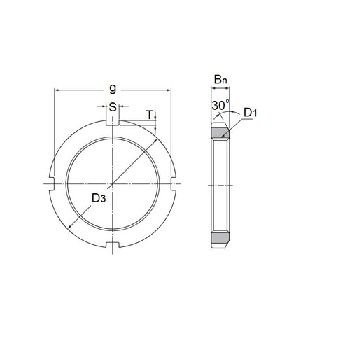
- Shaft Thread Diameter : M30 (30x3.5mm)
- Outside Dia (OD)
45
mm
(Equiv. 1.772 in.) - Thickness (T) min / max
7
mm
(Equiv. 0.276 in.) - Material Steel
Product Compliance and Data
Additional Resources
Cross References
- NoCor KM-06
- KM06


