
Miniature Bearings Australia
SHX-TP-0350-06-016-BZ - Datasheet
MBA
Product Data
Deleted Item. Available while stocks last. Deleted Item. Available while stocks last.
Please contact us first if you wish to use this item in a new design so we can check whether production can be resumed.
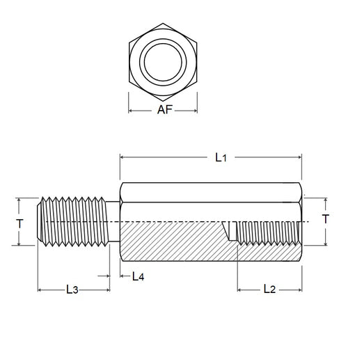
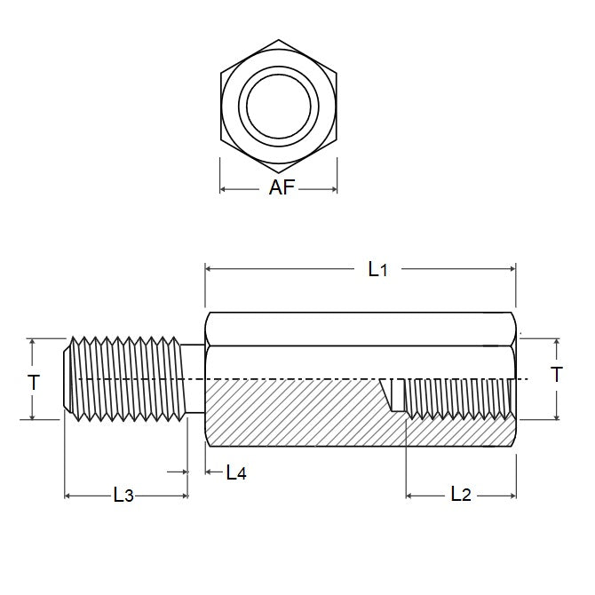
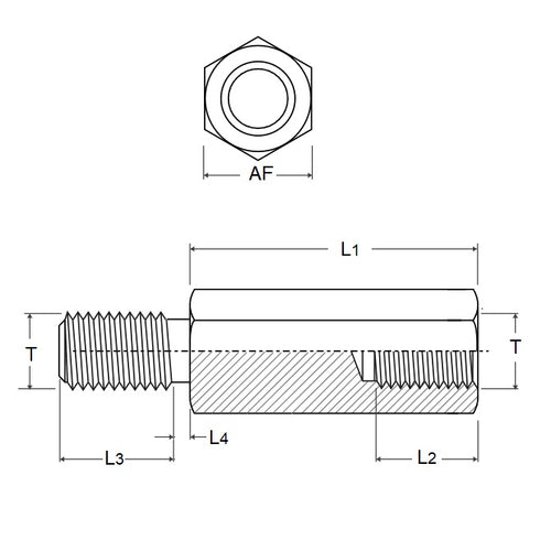
- Thread Size : M3.5 (3.5x0.6mm)
- Stud Length (L3)
6.35
mm
(Equiv. 0.25 in.) - Base Length (L1)
10.00
mm
(Equiv. 0.394 in.) - Across Flats (A/F) 6.00 mm
- Bore Thread Length (L2) 6.50 mm
- Finish Chromate Zinc Plated
- Material Brass
Product Compliance and Data
Additional Resources
Cross References
- Reid Tool® RAF-1176
- RAF1176


