
Miniature Bearings Australia
SHX-TP-0300-06-040-MZ - Datasheet
MBA
Product Data
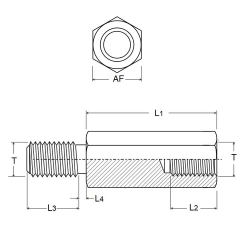
- Thread Size : M3 (3x0.5mm)
- Stud Length (L3)
4.500
mm
(Equiv. 0.177 in.) - Base Length (L1)
40
mm
(Equiv. 1.575 in.) - Across Flats (A/F) 6.00 mm
- Bore Thread Length (L2) 6.00 mm
- Finish Nickel Electroplating
- Material Steel - Mild
Product Compliance and Data
Additional Resources
Cross References
- Misumi C-PLSBWRK6-40
- CPLSBWRK640


