
Miniature Bearings Australia
KM-04 - Datasheet
MBA
Category Information
Nuts - Bearing Locknuts - Right Hand Thread - Standard AN-KM SeriesStandard AN-KM Series Right Hand Thread Bearing Locknuts Nuts. This is the main category in this series
Product Data
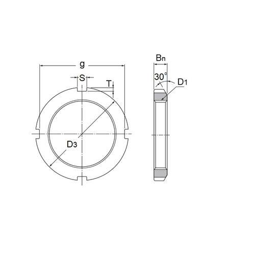
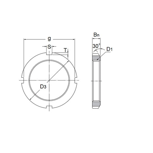
- Shaft Thread Diameter : M20 Super Fine (20x1mm)
- Outside Dia (OD)
32
mm
(Equiv. 1.26 in.) - Thickness (T) min / max
28
mm
(Equiv. 1.102 in.) - Slot Width (s) 4.0
- Material Steel
Product Compliance and Data
Additional Resources
Cross References
- Nachi KM04
- Smalley KM-04


