
Miniature Bearings Australia
KM36 - Datasheet
MBA
Category Information
Nuts - Bearing Locknuts - Right Hand Thread - Standard AN-KM SeriesStandard AN-KM Series Right Hand Thread Bearing Locknuts Nuts. This is the main category in this series
Product Data
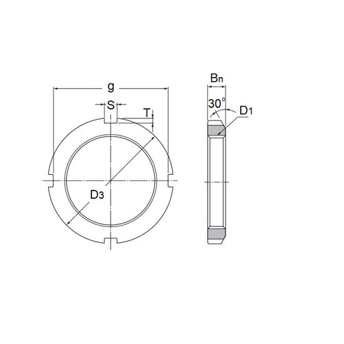
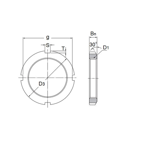
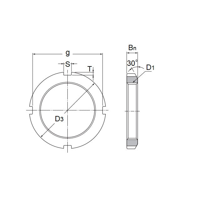
- Shaft Thread Diameter : M180x3
- Outside Dia (OD)
230
mm
(Equiv. 9.055 in.) - Thickness (T) min / max
27.000
mm
(Equiv. 1.063 in.) - Slot Width (s) 18.000
- Slot Depth (T) 8.000
- Material Steel
Product Compliance and Data
Additional Resources
Cross References
- NoCor KM-36
- KM36


