
Miniature Bearings Australia
PLST-160M-254-TAC-045 - Datasheet
MBA
Category Information
Plungers - Spring Threaded Adapter - Non Locking - SteelSteel Non Locking Spring Threaded Adapter Plungers. Use your own handle on the thread provided.
- Items shown with Long-Lok have a dry threadlocking sealant applied to thread.
Product Data
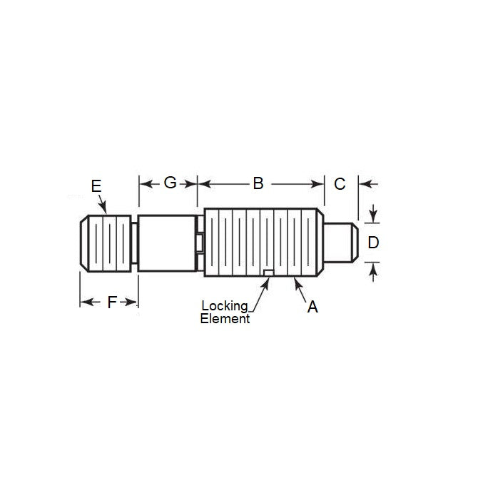
- Body Thread Size (A) : M16 (16x2mm)
- Major Thread Length (B)
25.4
mm
(Equiv. 1 in.) - Initial Pressure (F1) 22.0 N
- Final Pressure (F2) 44.5 N
- Tip Diameter (D) 8.0 mm
- Tip Length (C) 7.9 mm
- End Thread Size (E) 1/2-13 UNC (12.7mm)
- End Thread Length (F) 11.1 mm
- Material Steel
Product Compliance and Data
Additional Resources
Cross References
- PLST160254TAC045


