
Miniature Bearings Australia
MLM-160M-080-S4RP-I - Datasheet
MBA
Category Information
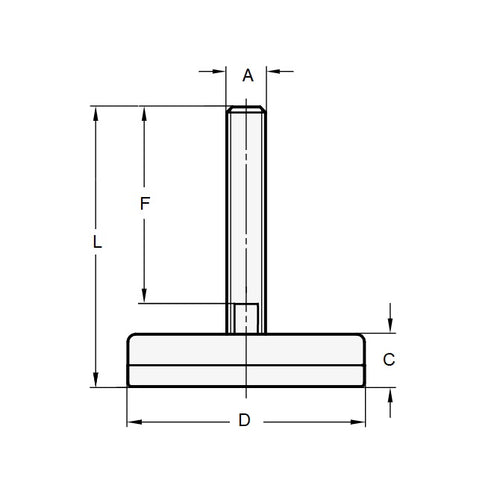
Mounts - Levelling Studded - Industrial - Rubber Padded - 303 Stainless303 Stainless Rubber Padded Industrial Levelling Studded Mounts. Levelling adjusters. These industrial mounts are an excellent and inexpensive solution for light duty applications such as office furniture, shelving, point of sale displays, cabinetry and small machinery.
- An expanded range may be available on special order. Please enquire.
- 303 Stainless Steel
- Elastomer pad for non skid applications.
Product Data
- Thread Size (A) : M16 (16x2mm)
- Base Diameter (D)
60.00
mm
(Equiv. 2.362 in.) - Foot Height (C)
27.00
mm
(Equiv. 1.063 in.) - Thread Length (F) 80.00 mm
- Base Height (E) 17.00 mm
- Overall Height (L) 107.0 mm
- Load Rating 450 Kg
- Pad Material Rubber
- 24.00
- Material Stainless Steel 304 (Similar to A2, 18-8) HRB80
Product Compliance and Data
Additional Resources
Cross References
- Misumi® C-CFJSNS16-80
- Misumi® C-CFJSNS60-16-80
- CCFJSNS601680
- CCFJSNS1680


