
Miniature Bearings Australia
KM02 - Datasheet
MBA
Category Information
Nuts - Bearing Locknuts - Right Hand Thread - Standard AN-KM SeriesStandard AN-KM Series Right Hand Thread Bearing Locknuts Nuts. This is the main category in this series
Product Data
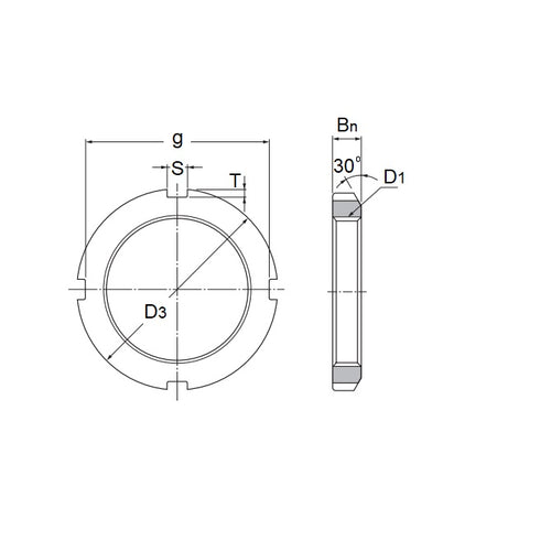
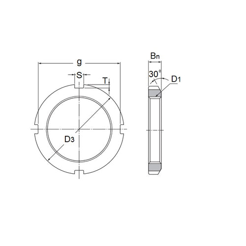
- Shaft Thread Diameter : M15
- Outside Dia (OD)
25
mm
(Equiv. 0.984 in.) - Thickness (T) min / max
5
mm
(Equiv. 0.197 in.) - Material Steel
Product Compliance and Data
Additional Resources
Cross References
- NoCor KM-02
- KM02


