
Miniature Bearings Australia
PLST-120M-222-TAC-022 - Datasheet
MBA
Category Information
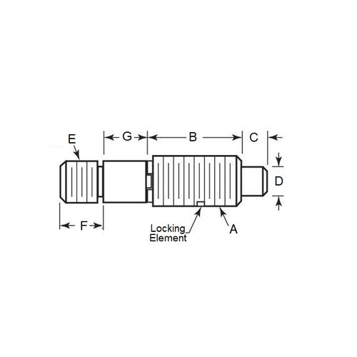
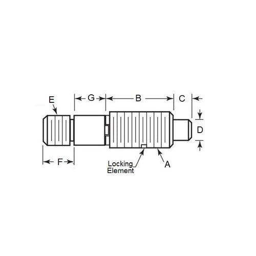
Plungers - Spring Threaded Adapter - Non Locking - SteelSteel Non Locking Spring Threaded Adapter Plungers. Use your own handle on the thread provided.
- Items shown with Long-Lok have a dry threadlocking sealant applied to thread.
Product Data
- Body Thread Size (A) : M12 (12x1.75mm)
- Major Thread Length (B)
22.2
mm
(Equiv. 0.874 in.) - Initial Pressure (F1) 5.5 N
- Final Pressure (F2) 22.0 N
- Tip Diameter (D) 6.0 mm
- Tip Length (C) 6.4 mm
- End Thread Size (E) 3/8-16 UNC (9.525mm)
- End Thread Length (F) 11.1 mm
- Material Steel
Product Compliance and Data
Additional Resources
Cross References
- PLST120222TAC022


