
Miniature Bearings Australia
KM120M-080-7L30 - Datasheet
MBA
Category Information
Knobs - Lobe - Seven Lobe - Male - StandardStandard Male Seven Lobe Lobe Knobs. Also see star knobs
- An expanded range may be available on special order. Please enquire.
Product Data
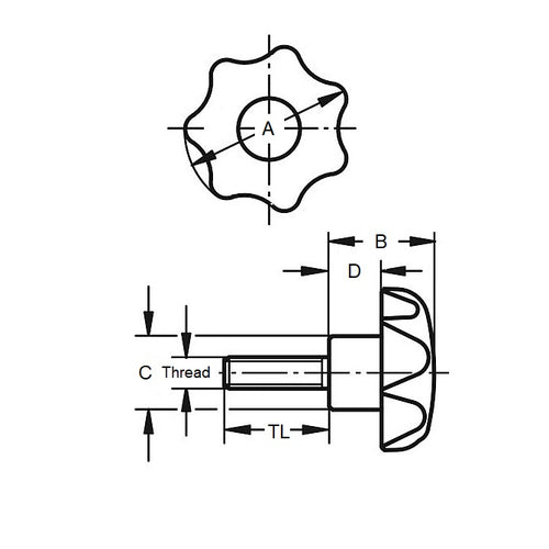
- Thread Size : M12 (12x1.75mm)
- Head Diameter (A)
80
mm
(Equiv. 3.15 in.) - Thread Length
30
mm
(Equiv. 1.181 in.) - Colour Black
- Hub Diameter (C) 36.00 mm
- Hub Length (D) 24.000 mm
- Knob Height (B) 50.50 mm
- Material Brass
Product Compliance and Data
Additional Resources
Cross References
- Misumi C-NQJM12-30
- CNQJM1230


