
Miniature Bearings Australia
KM120M-050-8L25 - Datasheet
MBA
Category Information
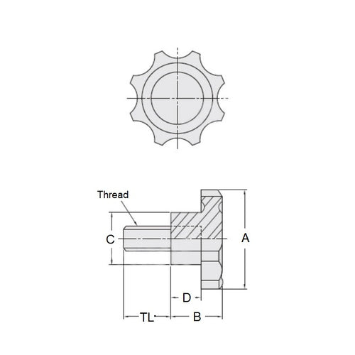
Knobs - Lobe - Eight Lobe - MaleMale Eight Lobe Lobe Knobs. Also see star knobs
- An expanded range may be available on special order. Please enquire.
Product Data
- Thread Size : M12 (12x1.75mm)
- Head Diameter (A)
50
mm
(Equiv. 1.969 in.) - Thread Length
25
mm
(Equiv. 0.984 in.) - Colour Black
- Hub Diameter © 25.00 mm
- Hub Length (D) 14.000 mm
- Knob Height (B) 25.00 mm
- Material Phenolic and Brass
Product Compliance and Data
Additional Resources
Cross References
- Misumi® C-NBJM12-25
- CNBJM1225


