
Miniature Bearings Australia
PLST-100M-190-TAC-018 - Datasheet
MBA
Category Information
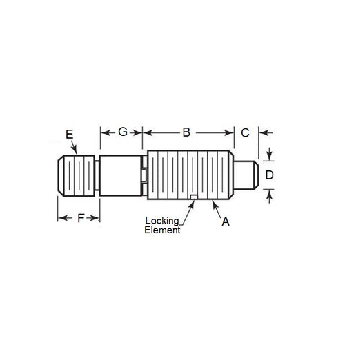
Plungers - Spring Threaded Adapter - Non Locking - SteelSteel Non Locking Spring Threaded Adapter Plungers. Use your own handle on the thread provided.
- Items shown with Long-Lok have a dry threadlocking sealant applied to thread.
Product Data
- Body Thread Size (A) : M10 (10x1.5mm)
- Major Thread Length (B)
19.0
mm
(Equiv. 0.748 in.) - Initial Pressure (F1) 3.0 N
- Final Pressure (F2) 18.0 N
- Tip Diameter (D) 5.0 mm
- Tip Length (C) 5.5 mm
- End Thread Size (E) 5/16-18 UNC (7.938mm)
- End Thread Length (F) 10.3 mm
- Material Steel
Product Compliance and Data
Additional Resources
Cross References
- PLST100190TAC018


