
Miniature Bearings Australia
KM100M-050-7L30 - Datasheet
MBA
Category Information
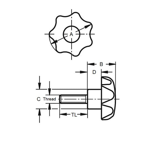
Knobs - Lobe - Seven Lobe - Male - StandardStandard Male Seven Lobe Lobe Knobs. Also see star knobs
- An expanded range may be available on special order. Please enquire.
Product Data
- Thread Size : M10 (10x1.5mm)
- Head Diameter (A)
50
mm
(Equiv. 1.969 in.) - Thread Length
30
mm
(Equiv. 1.181 in.) - Colour Black
- Hub Diameter (C) 22.00 mm
- Hub Length (D) 16.000 mm
- Knob Height (B) 32.50 mm
- Material Brass
Product Compliance and Data
Additional Resources
Cross References
- Misumi C-NQJM10-30
- CNQJM1030


